手把手教你开关接线,这些接线图覆盖了全部要求!
手把手教你开关接线,这些接线图覆盖了全部要求!
导语:开关的词语解释为开启和关闭。它还是指一个可以使电路开路、使电流中断或使其流到其他电路的电子元件。最常见的开关是让人操作的机电设备,其中有一个或数个电子接点。接点的"闭合"(closed)表示电子接点导通,允许电流流过;开关的"开路"(open)表示电子接点不导通形成开路,不允许电流流过。
1、电灯单控接法及原理
电灯单控开关,不论是哪一种,均可看作是一个单刀单掷开关。
在电路图中,标识如下

所有的单控开关,不论哪种形式的,都只有两个接线柱(双控、多控开关做单控用的不算)。有的开关接线柱上标有L(有的品牌标的是COM)和L1。
接线时,L接进线,L1接出线(其实倒过来接也没事)。此时要特别注意,进线必须是火线。原理图

1、拉线开关

想当年我们家家户户都用这种开关,现如今这种开关已经慢慢被淘汰,甚至想买一个这种开关都要找好几家五金店。
接线时,两个接线柱,一个接火线,一个接电灯即可。
2、按键开关
单开单控开关

这个开关是目前最常用的,几乎每家在装修时都至少要买几个,它的接线柱在背面

同样的两个接线柱,不过这种开关的接线柱上就有了标识。图示品牌的标注为L和L1,其它品牌有的标注为COM和L1。接线方式如下

3、多开单控开关
此外,还有面板上有多个按键的开关,每个按键可以控制一个灯

虽然外表相同,但是背面的接线柱不一样。以三开为例,有的品牌,背面有6个接线柱,即每个按键对应两个接线柱

这样的开关,尽管接线柱排列不是很整齐,却也很好接。接线柱标识中,有字母A,B,C,即对应正面按键从右至左三个。接起线来可以把每两个接线柱看作一个单开单控开关接线。还有一种接线柱,是这样的

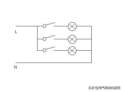
同样是三开单控,却只有四个接线柱。仔细观察会发现,接线柱的标识中,只有一个公共点(L或COM被称为公共点),即进线端。这种开关在接线时,只需要接一个进线,而L1,L2,L3分别对应面板按键从右到左。接线方法如下

4、手捏开关
这种开关也属于电灯开关的一种。

这种开关常常作为台灯等灯具的延长线开关。往往用软线接,即下图这种二芯包套线

手捏开关的内部结构是这样的▼

完整接线如下▼

看完后,您是不是感觉开关接线并不难呢,在确保安全的情况下自己可以动手试试,切记在操作过程中一定要注意安全,生命是宝贵的,不要有任何的侥幸心理,记住安全最重要!!!
开关接线图
一开单控开关接线图


二三开连体单控开关接线图



四开连体单控开关接线图

二三开单控开关接线图

四开单控开关接线图

一开五孔单控插座接线图



一开五孔单控插座接线图


二开五孔单控插座接线图



一开控双灯接线图:

双开控一灯接线图


三开控一灯接线图

双开控一灯接线图





















-
- 长达21年的呼叫:每年“愚人节”,中国人提及的“81192”是何意
-
2025-10-11 08:11:23
-
- 韩剧老男神的现况大盘点(韩国老一辈男神排行榜)
-
2025-10-11 08:09:09
-
- NBA球队篇-公牛队
-
2025-10-11 08:06:55
-
- 秦武王举鼎绝膑:魏穰侯独揽大权
-
2025-10-11 01:25:04
-
- 鞋油用固体的好还是液体的好,为什么
-
2025-10-11 01:22:49
-
- 湖南省宜章县龟纹石简介
-
2025-10-11 01:20:35
-
- 210亿!德基还是那个德基!
-
2025-10-11 01:18:21
-
- 别再用“三级片”肤浅地定义这部金像奖最佳电影!
-
2025-10-11 01:16:06
-
- 强日语学科、创日语品牌,甘泉外国语中学日语教育走过50年征程
-
2025-10-11 01:13:53
-
- 成都市内及周边旅游攻略(十四个景点)
-
2025-10-11 01:11:38
-
- 奥斯曼帝国——从曾经统一世界的梦到后来衰弱的现实
-
2025-10-11 01:09:24
-
- 虎眼石手串价格及图片(真正虎眼石手串多少钱)
-
2025-10-11 01:07:09
-
- 世越号事件果然有阴谋,韩国官方出面阻止调查仍露马脚,太可怕了
-
2025-10-11 01:04:55
-
- 夏天能否搭配“高筒袜”?学会这4种搭配,让你帅出新高度
-
2025-10-11 01:02:41
-
- 速马力是什么鬼?众车圈大咖揭露“黑科技”内幕
-
2025-10-11 01:00:26
-
- 我的情人背着我出轨我该怎么办("TA竟然背着我出轨了)
-
2025-10-11 00:58:12
-
- 男人对备胎是什么样的(男人选什么女人当备胎)
-
2025-10-11 00:55:58
-
- 世界上十种最小的蛇(世界上最小的蛇是什么蛇图片)
-
2025-10-11 00:53:44
-
- 桓谭:一个不被三朝帝王重用的耿直才子
-
2025-10-11 00:51:30
-
- 广东旅游景点排行大全12个
-
2025-10-11 00:49:15



22年林立衡丈夫张清林病逝,终年80岁,副总理陶铸之女送去了花圈
每斤20元起步,今春农贸市场的小龙虾“抢鲜价”也亲民